Battery Balancer
Victron Battery Balancer - BBA000100100
The problem: the service life of an expensive battery bank can be substantially shortened due to state of charge unbalance
One battery with a slightly higher internal leakage current in a 24V or 48V bank of several series/parallel connected batteries will cause undercharge of that battery and parallel connected batteries, and overcharge of the series connected batteries. Moreover, when new cells or batteries are connected in series, they should all have the same initial state of charge. Small differences will be ironed out during absorption or equalize charging, but large differences will result in damage due to excessive gassing (caused by overcharging) of the batteries with the higher initial state of charge and sulphation (caused by undercharging) of the batteries with the lower initial state of charge.
The Solution: Battery Balancing
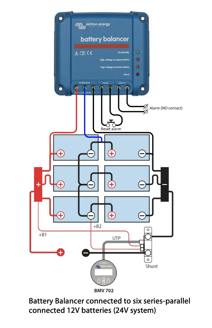
The Battery Balancer equalizes the state of charge of two series connected 12V batteries, or of several parallel strings of series connected batteries. When the charge voltage of a 24V battery system increases to more than 27,3V, the Battery Balancer will turn on and compare the voltage over the two series connected batteries. The Battery Balancer will draw a current of up to 0,7A from the battery (or parallel connected batteries) with the highest voltage. The resulting charge current differential will ensure that all batteries will converge to the same state of charge.
If needed, several balancers can be paralleled.
A 48V battery bank can be balanced with three Battery Balancers.
LED indicators
Green: on (battery voltage > 27,3V)
Orange: lower battery leg active (deviation > 0,1V)
Orange: upper battery leg active (deviation > 0,1V)
Red: alarm (deviation > 0,2V). Remains on until the deviation has reduced to less than 0,14V, or until system voltage drops to less than 26,6V.
Alarm relay
Normally open. The alarm relay closes when the red LED switches on and opens when the red LED switches off.
Alarm reset
Two terminals are available to connect a push button. Interconnecting the two terminals resets the relay. The reset condition will remain active until the alarm is over. Thereafter the relay will close again when a new alarm occurs.
Even more insight and control with the midpoint monitoring function of the BMV-702 Battery Monitor
The BMV-702 measures the midpoint of a string of cells or batteries. It displays the deviation from the ideal midpoint in volts or percent. Separate deviation percentages can be set to trigger a visual/audible alarm and to close a potential free relay contact for remote alarm purposes.
Please see the manual of the BMV-702 for more information about battery balancing.
Learn more about batteries and battery charging
To learn more about batteries and charging batteries, please refer to our book ‘Energy Unlimited’ (available free of charge from Victron Energy and downloadable from www.victronenergy.com).
| SKU | 8719076020950 |
| Barcode # | 8719076020950 |
| Brand | Victron |
| Shipping Weight | 0.4100kg |
| Shipping Width | 0.150m |
| Shipping Height | 0.050m |
| Shipping Length | 0.210m |
| Shipping Cubic | 0.001575000m3 |
Be The First To Review This Product!
Help other The 12 Volt Shop users shop smarter by writing reviews for products you have purchased.