Victron Smart BMS 12/200
Victron Smart BMS 12/200
*ETA 14 Days
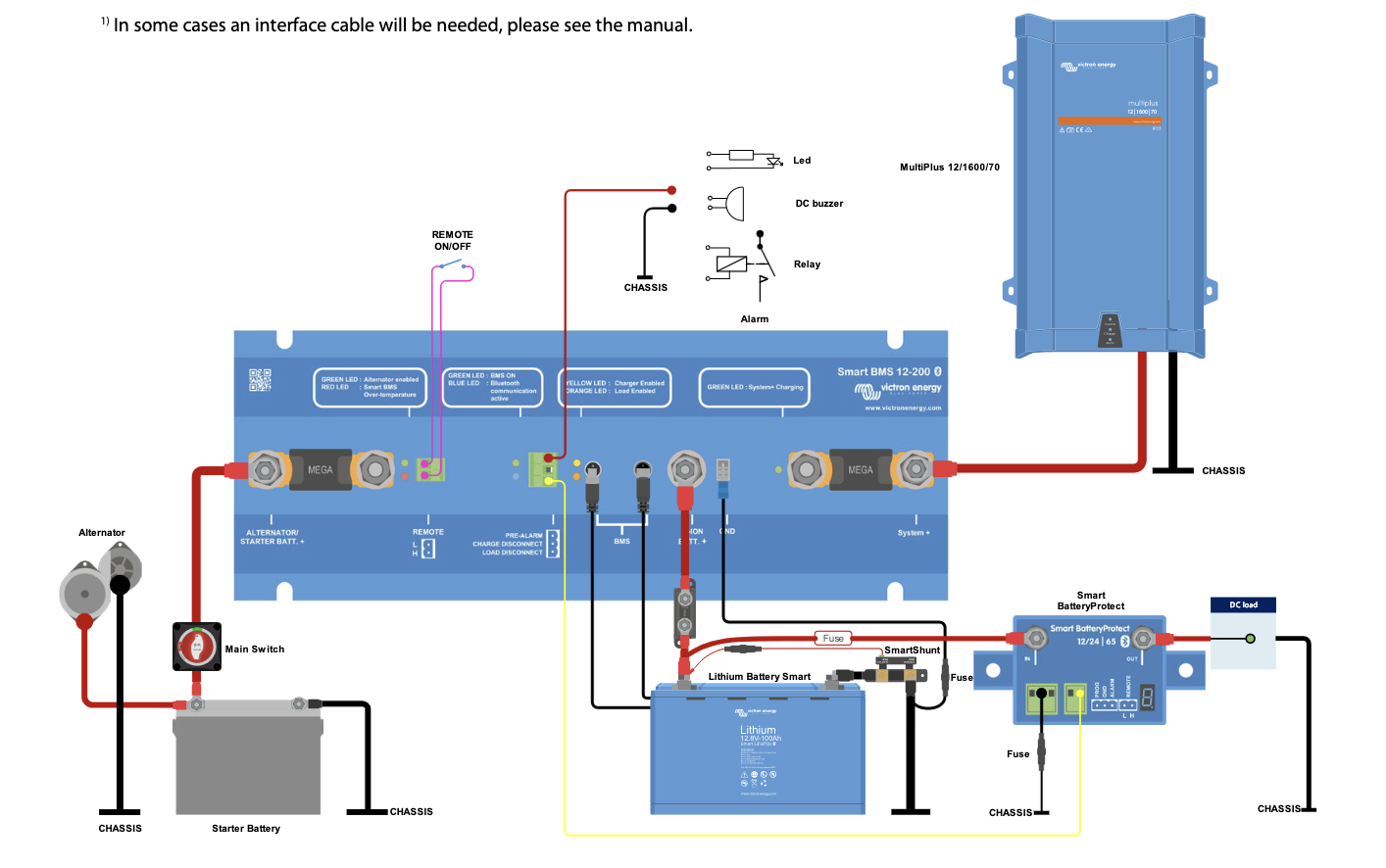
The Smart BMS 12-200 is an all-in-one battery management (BMS) system for Victron Lithium Battery Smart 12,8 V batteries available with a nominal voltage of 12.8 V in various capacities. This is the safest of the mainstream lithium battery types. The maximum number of batteries in one system is 20, which results in a maximum energy storage of 84 kWh in a 12 V system. It has been specifically designed for 12 V systems with a 12 V alternator such as in vehicles and boats.
It combines a Current Limiter, Battery Combiner and Battery Protector in a robust and compact solution and lets you safely connect any size 12 V alternator (and starter battery) through its dedicated alternator connection. At the same time, it protects the alternator (and wiring), provides alternator current limiting and one-way traffic from the alternator into the battery, this so any size alternator (and starter battery) can be safely connected to the lithium battery and the starter battery is protected from excessive discharge. The Smart BMS
12-200 uses MOSFET switches, thus ignition proof.
Features
- Alternator/Starter Batt+ port alternator and battery protection: The input current on the Alternator/Starter Batt+ port is electronically limited to approximately 90 % of the fuse rating. A 100 A fuse, for example, will therefore limit the input current to approximately 90 A and protects the lithium battery against excessive charge current and the alternator against overload (most 12V alternators will overheat and fail if running at maximum output during more than 5 minutes).
- System+ power port to connect loads and additional chargers: Can be used to either charge or discharge the lithium battery (i.e. via an additional charger, an inverter or inverter/charger connected directly to this port) with a maximum continuous current of 200 A in both directions. Can also be used as a load output, thus DC loads can be connected directly to this port.
- Remote on/off terminal: Use it to interrupt charging via the Alternator port and charging and discharging via the System+ port while keeping the BMS functionality active, or to stop charging from the Alternator port only. Alternatively use it as an on/off switch to turn off the system completely.
- Load and Charge disconnect output1) : The Smart BMS 12-200 monitors and protects each individual battery cell within the battery and will disconnect the alternator, charge sources or DC loads in case of low/high battery cell voltage or high temperature.
- Pre-Alarm output: Can be used to drive a relay, LED or Buzzer to issue a warning signal before the BMS disconnects the batteries from the system.
- Bluetooth for monitoring and configuration via our VictronConnect app and with Instant Readout the possibility to read out the most important values in real time without the need to connect to the BMS, which enables diagnostics at a glance.
| Alternator port - max charge current | 100 A (with 125 A fuse) |
|---|---|
| System+ port - max charge and discharge current | 200 A |
| Peak discharge current | 400 A |
| Input voltage to start charging | > 13 V |
| Current consumption, remote on | 17.5 mA (excluding Load output and Charge output current) |
| Current consumption, remote off | 6.5 mA (BMS functionality still active) 4.5 mA (BMS functionality disabled) |
| Load disconnect output | Normally high (Vbat – 0.1 V) Source current limit: 10 mA (short circuit protected) Sink current: 0 A (output free floating) |
| Charge disconnect output | Normally high (Vbat – 0.1 V) Source current limit: 10 mA (short circuit protected) Sink current: 0 A (output free floating) |
| Pre-alarm output | Normally free floating High (Vbat) in case of alarm, max. 1 A (not short circuit proof) |
| Remote (or System) on/off: Remote L and Remote H |
Use modes: 1. ON when the L and H terminal are interconnected 2. ON when the L terminal is pulled to battery minus (V<5V) 3. ON when the H terminal is high (V>3 V) 4. OFF in all other conditions |
| Operating temperature range | -40 °C to +60 °C |
| Humidity, maximum / average | 100 % / 95 % |
| Protection, electronics | IP65 |
| DC power connection | M8 (mounting torque: 10 Nm) |
| DC connector battery minus | Faston female, 6.3 mm |
| Weight | 2 kg |
| Dimensions (hxwxd) | 65 x 120 x 340 mm |
| SKU | 8719076052883 |
| Barcode # | 8719076052883 |
| Brand | Victron |
| Shipping Weight | 2.7200kg |
| Shipping Width | 0.375m |
| Shipping Height | 0.085m |
| Shipping Length | 0.140m |
| Shipping Cubic | 0.004462500m3 |
Be The First To Review This Product!
Help other The 12 Volt Shop users shop smarter by writing reviews for products you have purchased.